Lưu ý: Nội dung bài viết mang tính chất tham khảo thông tin. Việc lắp đặt, sửa chữa hoặc thay thế linh kiện nên được thực hiện bởi kỹ thuật viên phù hợp hoặc trung tâm bảo hành theo quy định của nhà sản xuất. livotecshop.com không chịu trách nhiệm đối với các rủi ro phát sinh do việc tự ý thực hiện không đúng hướng dẫn chính thức của hãng.
Trong quá trình sử dụng máy lọc nước uống, người dùng có thể gặp một sự cố phổ biến. Tuy nhiên, đa số các sự cố này đều có thể dễ dàng khắc phục tại nhà mà không cần đến Kỹ thuật viên hay dịch vụ sửa chữa. Tham khảo bài viết dưới đây để biết được các lỗi có thể xảy ra với máy lọc nước, giúp bạn xác định được đâu là nguyên nhân và cách sửa máy lọc nước tại nhà phù hợp.
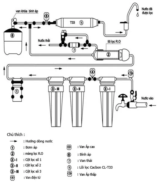
Cách Sửa Chữa Máy Lọc Nước
Tham khảo video Hướng dẫn cách sửa máy lọc nước RO Karofi
1. Cách sửa máy lọc nước tại nhà khi máy bơm không chạy
Nguyên nhân:
- Bình chứa nước đầy: van F cắt (bình thường)
- Van khoá A chưa mở: van B cắt (bình thường)
- Nước quá yếu: van B cắt (bình thường)
- Tắc đường ống cấp, lõi quá bẩn (bình thường)
- Cần kiểm soát nước nguồn luôn luôn có nước, độ cao đảm bảo để có áp lực đổ vào máy.
- Khi bật máy cần đảm bảo các van nước đã được mở.
2. Cách sửa máy lọc nước tại nhà khi máy đã ngừng hoạt động nhưng nước thải vẫn chảy
Nguyên nhân:
- Áp lực nước cấp quá lớn trên 40 psi đối với cút đầu vào.
- Dị vật chui vào van cấp nước đầu vào.
- Van điện từ: Không có van hoặc van bị lắp ngược.
Cách sửa chữa máy lọc nước:
- Điều chỉnh áp lực của công tắc áp lực cao- Điều chỉnh giảm áp lực vào.
- Thay thế van, thông đường ống.
- Lắp lại cho đúng chiều hoặc lắp thêm van điện từ.
![Cách Sửa Chữa Máy Lọc Nước]()
3. Cách sửa máy lọc nước tại nhà khi mở vòi ra không có nước
- Máy vừa mới hoạt động không có nước (máy hoàn toàn bình thường).
- Van khoá L đang ở trạng thái khoá (bình thường)... cần mở ra. (Việc vô tình khoá van này cũng đưa máy rơi vào tình trạng: mở vòi thì máy bơm chạy, khoá vòi thì tắt... không lọc nước).
- Lỏng giắc cắm, cháy, hỏng Adaptor.
- Lỏng giắc cắm, cắm sai vị trí, rách màng công tắc của Van áp cao, van áp thấp.
- Cháy bơm, áp lực nước thấp do bể nước nguồn thấp hoặc sử dụng nước máy trực tiếp nguồn nước máy không đủ.
- Lõi lọc quá bẩn, đến ngày thay thê mà chưa thay đặc biệt là lõi lọc thô 1,2,3 quá hạn thay thế gây áp lực lên màng RO làm màng RO giãn.
- IC hỏng và cháy cầu chì.
- Bình chứa nước đầy.
- Bình tích áp (quả bóng xuống hơi)... chỉ cần tháo ra... bơm lên là xong.
Cách sửa chữa máy lọc nước:
Cắm lại hoặc thay thế Adapter.
Cắm chặt hoặc thay thế chân cắm cho các van cao áp, van thấp áp.
Quấn lại hoặc thay thế bơm.
Kiểm tra chính xác phần lõi máy lọc nước hay phần màng lọc đến hạn thay thế.

4. Cách sửa máy lọc nước tại nhà khi nước trong bình áp đã đầy nhưng bơm vẫn hoạt động
Nguyên nhân:
- Cút nước đầu vào hoặc vòi lấy nước bị hở gây nên rò rỉ nước.
- Hỏng bơm áp thấp nước vân vào bình thường và bơm vẫn có điện nên vẫn hoạt đồng. Tại đây nước vần đảm bảo chất lượng tuy nhiên gây tốn kém thất thoát tiền điện.
Cách sửa máy lọc nước:
- Dùng tay siết chặt lại vòi nước và các đầu nối.
- Thay thế van áp thấp.
5. Cách sửa máy lọc nước tại nhà khi nước có mùi hoặc vị bất thường
Nếu bạn đang gặp tình trạng này thì đó là do các chất hữu cơ đã tích tụ lâu ngày trên màng lọc và mức độ chất gây ô nhiễm trong nước đã tăng lên. Giải pháp nhanh nhất cho việc này là thay lõi lọc nước hoặc màng lọc đang bị tắc và xem liệu có sự cải thiện về mùi vị của nước không. Hãy nhớ đảm bảo rằng các bộ lọc thô được thay đổi theo khuyến nghị của nhà sản xuất sau tối đa 12 tháng.
Trong máy lọc nước RO, nếu bạn thấy rằng nước có vị kim loại, điều đó có nghĩa là nước có thể đã hòa tan một lượng lớn sulfate, clorua và bicacbonat đã để lại mùi vị đó trong nước. Tương tự, nếu bạn thấy nước hơi mặn, điều đó có nghĩa là muối và các chất rắn khác đã hòa tan trong nước. Màng RO cần phải được thay thế định kỳ để loại bỏ các chất này khỏi nước. Bạn có thể liên hệ kỹ thuật viên để kiểm tra bảo trì 6 tháng một lần nếu cần thiết.
6. Cách sửa máy lọc nước tại nhà khi dòng nước chảy chậm
Máy lọc nước của bạn hoạt động rất tốt trong vài năm đầu, nhưng theo thời gian tốc độ dòng nước có thể chảy chậm lại. Một trong những lý do lớn nhất cho điều này là, bạn có thể tích nước thấp hoặc áp suất nước lên màng lọc thấp. Màng RO cần áp suất tối thiểu từ 40 đến 60 psi để hoạt động đúng công suất. Cũng có thể có sự cố xảy ra trong bình áp chứa nước. Nếu có rò rỉ trong bình áp, nó không tạo ra đủ áp lực và điều này dẫn đến dòng nước chảy chậm hơn từ vòi. Lõi lọc nước bị tắc do hàm lượng trầm tích cao trong nước cũng là một lý do có thể làm chậm hoặc không có nước chảy từ máy lọc. Nếu các bộ lọc bị tắc, hãy thay thế các bộ lọc này.
Một màng RO bị hỏng cũng có thể là một lý do có thể. Màng thẩm thấu ngược chỉ cho phép một số phân tử đi qua trong khi chặn sự đi qua của các phân tử khác sẽ loại bỏ các hạt và vi khuẩn nhỏ nhất khỏi nước. Khi màng bị tắc, quá trình lọc nước chậm lại và chất lượng nước đi xuống. Nếu màng bị tắc hoặc hư hỏng thì nên thay thế để tránh mọi vấn đề sức khỏe. Ngoài ra, lưu ý rằng màng RO cần được thay thế mỗi năm một lần hoặc mỗi 2 năm một lần, tùy thuộc vào cách sử dụng để đảm bảo nước sạch và tốt cho tiêu dùng.
7. Cách sửa máy lọc nước tại nhà khi vòi hoặc bộ lọc bị rò rỉ
Nếu bạn nhận thấy rò rỉ liên tục từ vòi lọc nước, điều này có nghĩa là một phần của máy lọc không được lắp đặt đúng cách. Để khắc phục vấn đề, các phần của máy lọc nước sẽ phải được gắn chặt. Bạn sẽ cần phải kiểm tra xem van đã được đóng đúng chưa và thay thế nó nếu nó bị nứt hoặc không trong tình trạng tốt và sau đó vặn chặt chúng trở lại.
Hy vọng đối với những chia sẻ vừa rồi của bài viết bạn không cần lúng túng khi xảy ra các sự cố trên. Máy lọc nước RO hoạt động tốt đến mấy cũng không thể nào tránh được những sự cố nhất thời. Đối với những trường hợp không thể tự khắc phục bạn vui lòng liên hệ Hotline 1900 6418 để được tư vấn hướng dẫn cụ thể hoặc được cung cấp dịch vụ sửa chữa nhanh chóng và chuyên nghiệp nhất.

